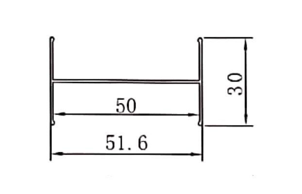
Uppercase letter H-bar.
The "H-bar" is used for joining two panel sheets together. It is a cleanroom panel accessory used for installation in the interior corners of cleanrooms.

Characteristics:

Material: Electrostatically painted aluminum alloy
Color: Milk white, matching the panel color
Specifications: Length 6m, Width 50mm
Unit: meters (m)
Applications:

- Used to connect two panel sheets together.
- Widely used in all cleanroom construction projects across various industries.
Technical Specifications of Uppercase H-bar VCR.

Danh sách Phụ kiện panel VCR
Related Products
H Channel

